Съдържание
Електрическо свързване
Контролерът CW01R66 се състои от две платки свързани с лентов кабел. Контролната платка с дисплея, който е неразделна част от нея, е предназначена да бъде поставена на лицевия панел на таблото. Към нея се свързват монетния механизъм и всички бутони. Релейната платка може да бъде поставена в основата на таблото, като към нея се свързват захранването и управляващите сигнали.
Захранване
Контролерът се нуждае от захранване 12V 0.5A. То осигурява работата на дисплеят, управляващите релета и монетния механизъм.
Управляващи сигнали
За контрол на изпълнителните механизми - помпи, клапани, дозатори, нагреватели са осигурени 6 релета, като контактната верига на всяко реле е изведена на клеймите. За всяка програма може да бъде направена произволна комбинация от активни релета.
Максимално допустимият товар за всяко реле е 250V 5A.
Съвет: За да намалите броя на свързващите кабели, към всеки контакт може да бъде подадено захранване и така при активиране на изхода на свободния край директно ще е налично управляващо напрежение.
Монетен механизъм
Комуникацията с монетният механизъм се извършва по стандартен паралелен интерфейс, използвайки съединители с 2 x 5 контакта. Можете да направите справка в документацията на монетния механизъм, дали тя отговаря на посочената схема.
| Извод | Име | Описание |
|---|---|---|
| 1 | GND | Обща маса |
| 2 | V12 | Захранване 12V |
| 3 | COIN 5 | Импулс за монета с код 5 |
| 4 | COIN 6 | Импулс за монета с код 6 |
| 5 | RET | Върната монета / Импулс за монета с код 7 |
| 6 | INH | Забрана на приемането на монети |
| 7 | COIN 1 | Импулс за монета с код 1 |
| 8 | COIN 2 | Импулс за монета с код 2 |
| 9 | COIN 3 | Импулс за монета с код 3 |
| 10 | COIN 4 | Импулс за монета с код 4 |
Контролерът е способен да разпознае следните сигнали:
- единичен импулс на всеки един от 6-те канала - така се подържат до 6 различни типа монети
- поредица от импулси, например 1 импулс - 50 ст., 2 имп. - 1 лев, 4 имп. - 2 лева
- импулси с различна продължителност, например 100 мс. - 50 ст., 200 мс. - 1 лев, 300 мс. - 2 лева
- комбинация от кодове (известен като binary), например импулс едновременно 1 и 2 канал - така се подържат над 16 различни монети
Бутони
Свързването на бутоните се осъществява с шест сигнални линии и обща маса. Допуска се свързването на нормално отворени и нормално затворени бутони, както и ключове.
При необходимост от повече бутони, чрез използването на разделителни диоди е възможно един бутон да управлява няколко сигнални линии. По този начин е възможно свързването до 16 бутона за програми и ключ оператор.
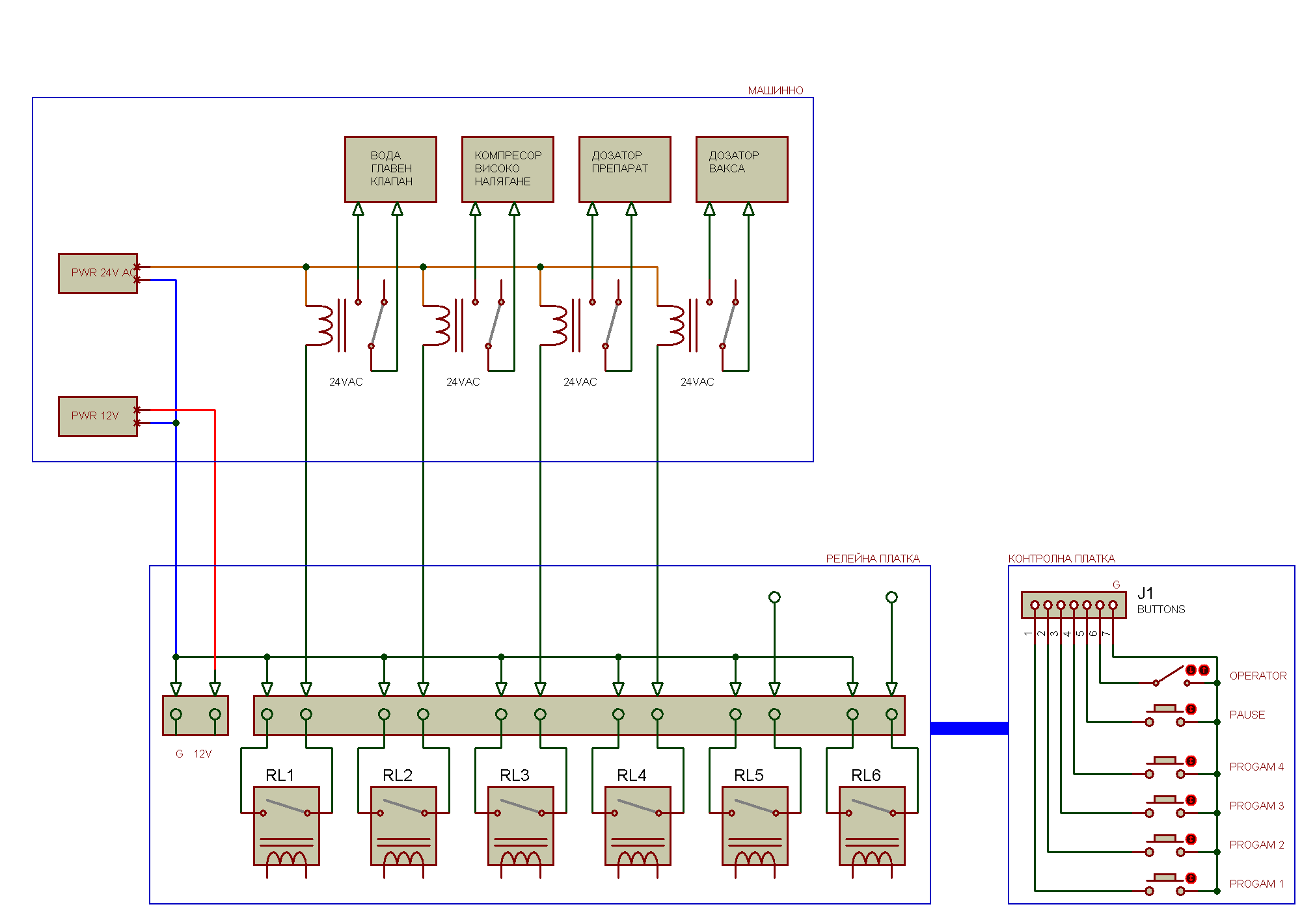
Примерна пълна схема
Това е схема на изградена автомивка с 4 програми.
Използват се следните управляващи сигнали:
- Реле 1 - главен клапан за пускане на водата
- Реле 2 - компресор за високо налягане
- Реле 3 - дозатор да препарат
- Реле 4 - дозатор за вакса
За контролера е необходимо да се направят следните настройки на програмите:
| N | Програма | Изходи |
|---|---|---|
| 1 | Водоструйка | 1 + 2 |
| 2 | Препарат - ниско налягане | 1 + 3 |
| 3 | Препарат - високо налягане (пяна) | 1 + 2 + 3 |
| 4 | Вакса | 1 + 4 |
